Rychlé dodání
30denní expresní doručení



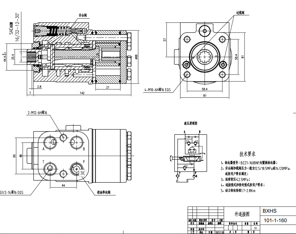
Řídicí jednotka 101-1-160 je robustní a spolehlivá hydraulická řídicí komponenta se zdvihovým objemem 160 ml/ot, navržená pro různé aplikace ve stavebnictví, zemědělství, manipulaci s materiálem a průmyslových vozidlech. Vyznačuje se maximálním vstupním tlakem 17,5 MPa a přizpůsobitelným ventilovým blokem pro optimální výkon. Nabízíme výrobní, OEM, ODM a velkoobchodní služby.
| Řada 10 Řídicí jednotka Parameters | |
|---|---|
| Zdvihový objem | 50 ml/ot., 63 ml/ot., 100 ml/ot., 80 ml/ot., 125 ml/ot., 160 ml/ot., 200 ml/ot., 250 ml/ot., 280 ml/ot., 315 ml/ot., 400 ml/ot. |
| Materiál | Litina |
| Jmenovitý průtok | 5 l/min, 6 l/min, 8 l/min, 10 l/min, 12,5 l/min, 16 l/min, 20 l/min, 25 l/min, 28 l/min, 31,5 l/min, 40 l/min |
| Ventilový blok | Přizpůsobitelný |
| Max. nepřetržitý zpětný tlak | 2,5 MPa |
| Max. vstupní tlak | 17,5 MPa |
Řídicí jednotka 101-1-160 je vysoce výkonná hydraulická řídicí jednotka vyrobená z odolné litiny pro dlouhou životnost. Její zdvihový objem 160 ml/ot zajišťuje účinné ovládání řízení, zatímco maximální vstupní tlak 17,5 MPa zajišťuje spolehlivý provoz v náročných podmínkách. Maximální trvalý protitlak 2,5 MPa přispívá k její robustnosti. Jmenovitý průtok 16 l/min zajišťuje citlivé řízení. Klíčovou vlastností je přizpůsobitelný ventilový blok, umožňující konfigurace na míru pro splnění specifických požadavků aplikace. Díky tomu je jednotka vhodná pro širokou škálu strojů, včetně vysokozdvižných vozíků, minirypadel, smykem řízených nakladačů, kompaktních kolových nakladačů, traktorů a čelních nakladačů, teleskopických manipulátorů, rypadlo-nakladačů, sklápěčů, sklízecích strojů a lisů na balíky. Nabízíme kompletní výrobní kapacity, stejně jako OEM, ODM a velkoobchodní služby, a aktivně hledáme distributory, velkoobchodníky, zástupce a obchodní partnery po celém světě, abychom rozšířili náš tržní dosah. Kontaktujte nás ještě dnes, abyste prodiskutovali vaše specifické potřeby a prozkoumali možnosti přizpůsobení.



