Rychlé dodání
30denní expresní doručení



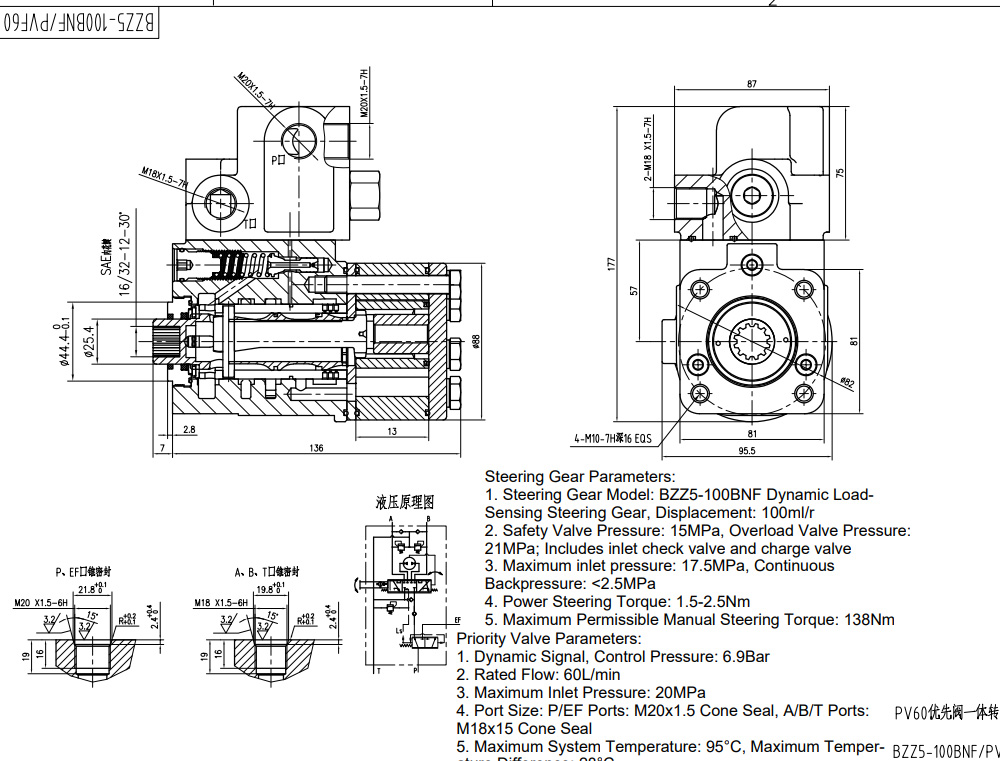
Hydraulická řídicí jednotka 101S-5T-80-PV60 je vysoce výkonné, odolné a přizpůsobitelné řešení pro různé aplikace v oblasti manipulace s materiálem, stavebnictví, zemědělství a průmyslových vozidel. S objemem 80 ml/r a maximálním vstupním tlakem 17,5 MPa poskytuje spolehlivé ovládání řízení pro širokou škálu zařízení.
| Řada 10 Řídicí jednotka Parameters | |
|---|---|
| Zdvihový objem | 50 ml/ot., 63 ml/ot., 100 ml/ot., 80 ml/ot., 125 ml/ot., 160 ml/ot., 200 ml/ot., 250 ml/ot., 280 ml/ot., 315 ml/ot., 400 ml/ot. |
| Materiál | Litina |
| Jmenovitý průtok | 5 l/min, 6 l/min, 8 l/min, 10 l/min, 12,5 l/min, 16 l/min, 20 l/min, 25 l/min, 28 l/min, 31,5 l/min, 40 l/min |
| Ventilový blok | Přizpůsobitelný |
| Max. nepřetržitý zpětný tlak | 2,5 MPa |
| Max. vstupní tlak | 17,5 MPa |
Hydraulická řídicí jednotka 101S-5T-80-PV60 je robustní a účinný komponent navržený pro náročné prostředí. Vyrobená z litinového pouzdra pro vynikající trvanlivost a dlouhou životnost, disponuje objemem 80 ml/r a maximálním vstupním tlakem 17,5 MPa, což zajišťuje výkonné a citlivé řízení. Maximální nepřetržitý protitlak 2,5 MPa dále zvyšuje její spolehlivost a výkon. Její jmenovitý průtok 8 L/min přispívá k hladkému a přesnému ovládání řízení. Blok ventilů je přizpůsobitelný, což umožňuje přizpůsobení specifickým požadavkům stroje a aplikacím. Tato jednotka je ideální pro řadu zařízení, včetně vysokozdvižných vozíků, teleskopických manipulátorů, smykem řízených nakladačů, kompaktních kolových nakladačů, mini-bagrů, traktorů, bagrů, zametačů, sklízecích strojů a dalších. Její vysoký výkon a spolehlivý provoz z ní činí nákladově efektivní a účinnou volbu pro výrobce originálního vybavení (OEM), výrobce originálního designu (ODM) a distributory, kteří hledají vysoce kvalitní řešení hydraulického řízení. Nabízíme výrobní služby, OEM, ODM, přizpůsobení a velkoobchodní služby, aktivně hledáme distributory, velkoobchodníky, zástupce a obchodní partnery po celém světě.



