Rychlé dodání
30denní expresní doručení



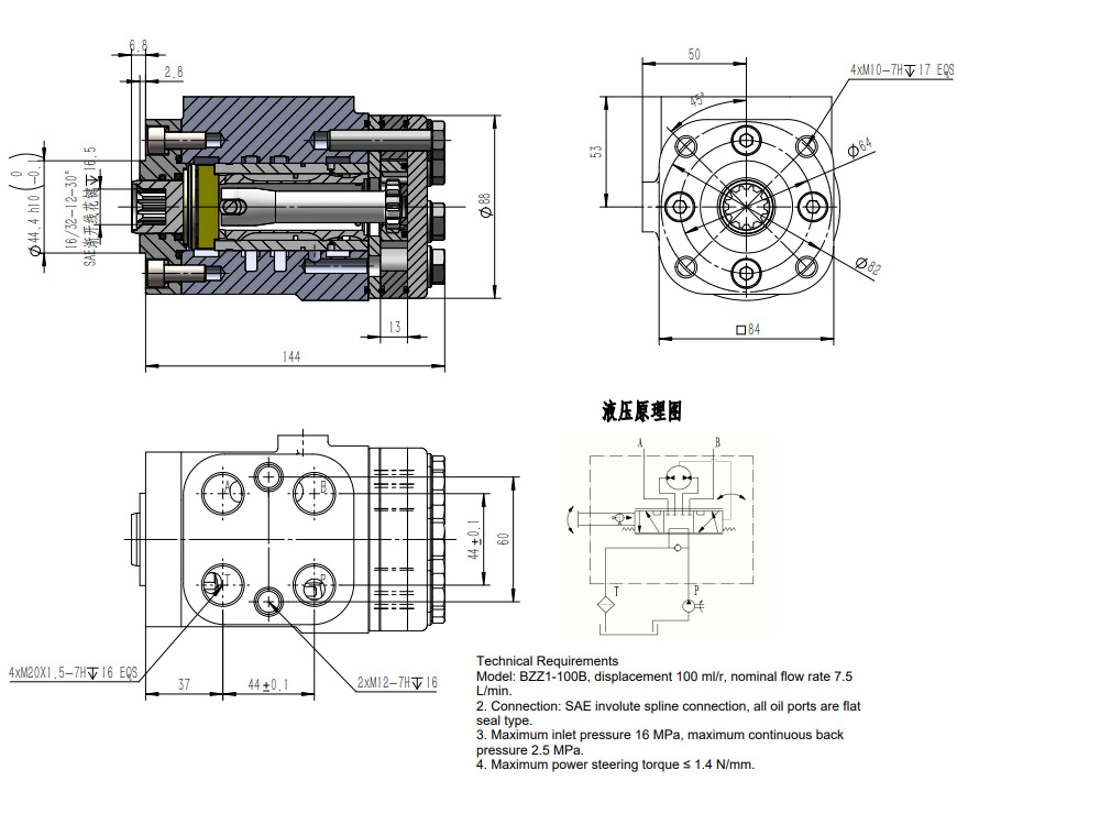
Řídicí jednotka BZZ1-E100C je robustní a přizpůsobitelný hydraulický komponent se zdvihovým objemem 100 ml/ot., navržený pro různé aplikace v oblasti manipulace s materiálem, stavebnictví, zemědělství a průmyslových vozidel. Vyznačuje se maximálním vstupním tlakem 16 MPa a litinovou konstrukcí pro dlouhou životnost. Celosvětově nabízíme možnosti výroby, OEM, ODM a velkoobchodu.
| Řada BZZ1 Řídicí jednotka Parameters | |
|---|---|
| Zdvihový objem | 50 ml/ot., 63 ml/ot., 100 ml/ot., 80 ml/ot., 125 ml/ot., 160 ml/ot., 200 ml/ot., 250 ml/ot., 280 ml/ot., 315 ml/ot., 400 ml/ot., 500 ml/ot., 630 ml/ot., 800 ml/ot., 1000 ml/ot. |
| Ventilový blok | Přizpůsobitelný |
| Materiál | Litina |
| Jmenovitý průtok | 5 l/min, 6 l/min, 4 l/min, 7,5 l/min, 9,5 l/min, 12 l/min, 15 l/min, 19 l/min, 21 l/min, 24 l/min, 30 l/min, 38 l/min, 48 l/min, 60 l/min, 75 l/min |
| Max. nepřetržitý zpětný tlak | 2,5 MPa |
| Max. vstupní tlak | 16 MPa |
BZZ1-E100C je vysoce výkonná hydraulická řídicí jednotka ideální pro širokou škálu aplikací. Mezi její klíčové vlastnosti patří:
* **Vysokotlaká schopnost:** S maximálním vstupním tlakem 16 MPa zvládá náročné provozní podmínky.
* **Odolná konstrukce:** Litinový materiál zajišťuje dlouhodobou spolehlivost a odolnost proti opotřebení.
* **Přizpůsobitelný ventilový blok:** Umožňuje přizpůsobené konfigurace pro splnění specifických požadavků aplikace, čímž zvyšuje flexibilitu a účinnost.
* **Vysoký průtok:** Jmenovitý průtok 7.5 l/min zajišťuje citlivé a plynulé řízení.
* **Všestranné aplikace:** Vhodné pro různé typy zařízení včetně vysokozdvižných vozíků, teleskopických manipulátorů, smykem řízených nakladačů, kompaktních kolových nakladačů, minirypadel, traktorů, sklízecích strojů a lisů na balíky.
* **Globální dosah:** Nabízíme výrobní služby, OEM, ODM a velkoobchod pro distributory, prodejce a zástupce po celém světě. Jsme odhodláni poskytovat vysoce kvalitní produkty a výjimečný zákaznický servis. Kontaktujte nás, abyste projednali své specifické potřeby a prozkoumali potenciální partnerství.



