Rychlé dodání
30denní expresní doručení



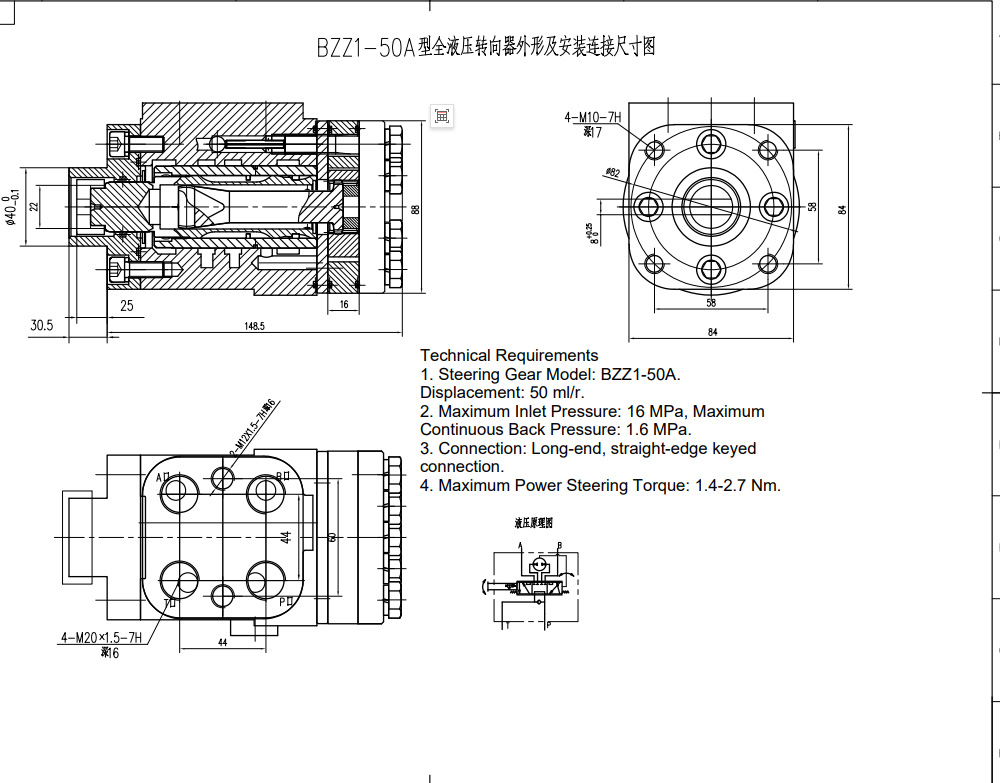
BZZ1-E50A je robustní hydraulická řídicí jednotka s objemem 50 ml/r, navržená pro různé aplikace v oblasti manipulace s materiálem, stavebnictví, zemědělství a průmyslových vozidel. Nabízí maximální vstupní tlak 16 MPa a přizpůsobitelný ventilový blok pro výkon na míru. Nabízíme možnosti výroby, OEM, ODM a velkoobchod.
| Řada BZZ1 Řídicí jednotka Parameters | |
|---|---|
| Zdvihový objem | 50 ml/ot., 63 ml/ot., 100 ml/ot., 80 ml/ot., 125 ml/ot., 160 ml/ot., 200 ml/ot., 250 ml/ot., 280 ml/ot., 315 ml/ot., 400 ml/ot., 500 ml/ot., 630 ml/ot., 800 ml/ot., 1000 ml/ot. |
| Ventilový blok | Přizpůsobitelný |
| Materiál | Litina |
| Jmenovitý průtok | 5 l/min, 6 l/min, 4 l/min, 7,5 l/min, 9,5 l/min, 12 l/min, 15 l/min, 19 l/min, 21 l/min, 24 l/min, 30 l/min, 38 l/min, 48 l/min, 60 l/min, 75 l/min |
| Max. nepřetržitý zpětný tlak | 2,5 MPa |
| Max. vstupní tlak | 16 MPa |
Hydraulická řídicí jednotka BZZ1-E50A nabízí spolehlivé a efektivní řešení pro různé stroje. Její litinová konstrukce zajišťuje odolnost a dlouhou životnost i v náročných provozních podmínkách. Mezi klíčové vlastnosti patří:
* **Vysoký výkon:** Objem 50 ml/r, jmenovitý průtok 4 l/min a maximální vstupní tlak 16 MPa zajišťují výkonné a citlivé řízení.
* **Přizpůsobitelný ventilový blok:** Umožňuje přizpůsobení specifickým požadavkům stroje a optimalizovaný výkon systému.
* **Odolná konstrukce:** Litinový materiál zajišťuje robustní provoz a odolnost proti opotřebení.
* **Všestranné aplikace:** Vhodné pro řadu strojů, včetně vysokozdvižných vozíků, smykem řízených nakladačů, kompaktních kolových nakladačů, teleskopických manipulátorů, traktorů, mini-bagrů a rypadlonakladačů.
* **Flexibilita výroby:** Poskytujeme možnosti výroby, OEM, ODM a velkoobchodu, abychom vyhověli různým potřebám zákazníků. Aktivně hledáme distributory, velkoobchodníky, agenty a obchodní partnery po celém světě, abychom rozšířili náš tržní dosah. Kontaktujte nás ještě dnes, abyste se dozvěděli více o našich schopnostech a prodiskutovali vaše specifické požadavky.



