Rychlé dodání
30denní expresní doručení



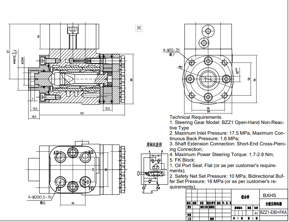
Hydraulická řídicí jednotka BZZ1-E80+FKA je robustní a přizpůsobitelná jednotka s objemem 80 ml/r a maximálním vstupním tlakem 16 MPa. Je ideální pro různé aplikace v oblasti manipulace s materiálem, stavebnictví, zemědělství a průmyslových vozidel a nabízí spolehlivé řízení s jmenovitým průtokem 6 l/min. Vyrobena z litiny, disponuje přizpůsobitelným ventilovým blokem pro optimalizovaný výkon. Nabízíme možnosti výroby, OEM, ODM a velkoobchodu.
| Řada BZZ1 Řídicí jednotka Parameters | |
|---|---|
| Zdvihový objem | 50 ml/ot., 63 ml/ot., 100 ml/ot., 80 ml/ot., 125 ml/ot., 160 ml/ot., 200 ml/ot., 250 ml/ot., 280 ml/ot., 315 ml/ot., 400 ml/ot., 500 ml/ot., 630 ml/ot., 800 ml/ot., 1000 ml/ot. |
| Ventilový blok | Přizpůsobitelný |
| Materiál | Litina |
| Jmenovitý průtok | 5 l/min, 6 l/min, 4 l/min, 7,5 l/min, 9,5 l/min, 12 l/min, 15 l/min, 19 l/min, 21 l/min, 24 l/min, 30 l/min, 38 l/min, 48 l/min, 60 l/min, 75 l/min |
| Max. nepřetržitý zpětný tlak | 2,5 MPa |
| Max. vstupní tlak | 16 MPa |
Hydraulická řídicí jednotka BZZ1-E80+FKA poskytuje přesné a výkonné řízení pro širokou škálu strojů. Její vysokotlaká kapacita (16 MPa) zajišťuje spolehlivý provoz i při vysokém zatížení. Zdvihový objem 80 ml/r a jmenovitý průtok 6 l/min zajišťují efektivní odezvu řízení. Robustní litinová konstrukce zaručuje odolnost a dlouhou životnost v náročných prostředích. Přizpůsobitelný ventilový blok umožňuje řešení na míru pro splnění specifických požadavků aplikace, optimalizující výkon a efektivitu. Nabízíme flexibilní obchodní modely včetně výroby, OEM (Original Equipment Manufacturing), ODM (Original Design Manufacturing) a velkoobchodních možností, což umožňuje přizpůsobená řešení a hromadné objednávky pro splnění vašich konkrétních potřeb. Aktivně hledáme distributory, velkoobchody, agenty a obchodní společnosti po celém světě. Kontaktujte nás, abychom prodiskutovali vaše požadavky a prozkoumali potenciální partnerství.



