Rychlé dodání
30denní expresní doručení



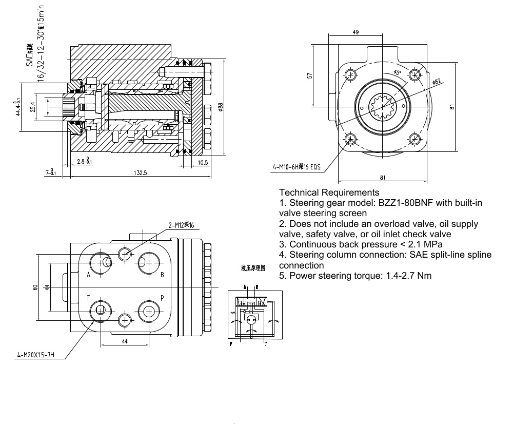
Hydraulická řídicí jednotka BZZ1-E80AS je robustní a přizpůsobitelná komponenta určená pro širokou škálu aplikací v manipulaci s materiálem, stavebnictví a průmyslových vozidlech. S objemem 80 ml/r a maximálním vstupním tlakem 16 MPa poskytuje spolehlivé a účinné řízení. Její litinová konstrukce zajišťuje odolnost a přizpůsobitelný ventilový blok umožňuje řešení na míru pro splnění specifických požadavků.
| Řada BZZ1 Řídicí jednotka Parameters | |
|---|---|
| Zdvihový objem | 50 ml/ot., 63 ml/ot., 100 ml/ot., 80 ml/ot., 125 ml/ot., 160 ml/ot., 200 ml/ot., 250 ml/ot., 280 ml/ot., 315 ml/ot., 400 ml/ot., 500 ml/ot., 630 ml/ot., 800 ml/ot., 1000 ml/ot. |
| Ventilový blok | Přizpůsobitelný |
| Materiál | Litina |
| Jmenovitý průtok | 5 l/min, 6 l/min, 4 l/min, 7,5 l/min, 9,5 l/min, 12 l/min, 15 l/min, 19 l/min, 21 l/min, 24 l/min, 30 l/min, 38 l/min, 48 l/min, 60 l/min, 75 l/min |
| Max. nepřetržitý zpětný tlak | 2,5 MPa |
| Max. vstupní tlak | 16 MPa |
Řídicí jednotka BZZ1-E80AS je vysoce výkonná hydraulická komponenta vyrobená z odolné litiny pro dlouhodobý provoz. Její objem 80 ml/r a maximální vstupní tlak 16 MPa zajišťují silné a citlivé řízení, a to i v náročných podmínkách. Jednotka se pyšní maximálním trvalým protitlakem 2,5 MPa a jmenovitým průtokem 6 l/min, což zajišťuje konzistentní výkon. Klíčovou výhodou je přizpůsobitelný ventilový blok, který umožňuje konfigurace na míru pro splnění přesných potřeb různých aplikací. Tato flexibilita ji činí ideální pro projekty OEM a ODM, stejně jako pro poskytování přizpůsobených řešení pro různorodá průmyslová odvětví. Jednotka nachází uplatnění v různých typech strojů, včetně vysokozdvižných vozíků, teleskopických manipulátorů, smykem řízených nakladačů, kompaktních kolových nakladačů, mini a midi bagrů a rypadlonakladačů. Její robustní design a spolehlivý výkon z ní činí nákladově efektivní řešení pro výrobce hledající vysoce kvalitní komponenty hydraulického řízení. Nabízíme výrobní, OEM, ODM, přizpůsobené a velkoobchodní služby a aktivně hledáme distributory, velkoobchodníky, agenty a obchodníky po celém světě.



