Rychlé dodání
30denní expresní doručení



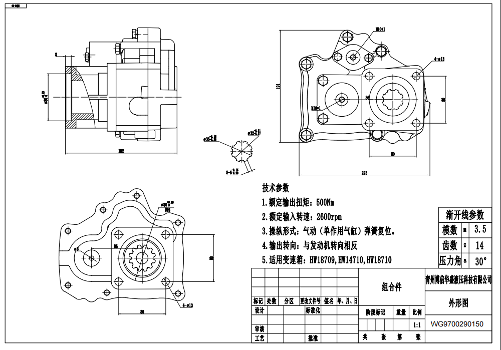
Tento HW50-03 WG9700290150 je robustní 4šroubová jednotka vývodového hřídele (PTO) navržená pro náročné aplikace, nabízející jmenovitý výstupní točivý moment 350 Nm a převodový poměr 1,14. Vyznačuje se pneumatickým ovládáním (jednostranný válec) s pružinovým resetem a tlakovým mazáním pro spolehlivý výkon, což ji činí ideální pro širokou škálu průmyslových, stavebních a zemědělských strojů.
| Řada PTO Vývodový hřídel Parameters | |
|---|---|
| Typ montáže | 8 šroubů, 4 šrouby |
| Tlak řídicího vzduchu | 8-12 bar |
| Směr otáčení výstupu | Opačný ke směru otáčení motoru |
| Způsob ovládání | Pneumatický (jednosměrný válec) s pružinovým návratem |
| Převodový poměr | 1.14 |
| Jmenovitý výstupní točivý moment | 350 Nm |
| Možnost mazání | Tlakové mazání |
| Možnost montáže | Standardní montáž |
Vlastnosti a výhody produktu:
* Vysoký výstupní točivý moment: S jmenovitým výkonem 350 Nm je tento PTO vhodný pro pohon náročných hydraulických čerpadel a dalšího pomocného vybavení vyžadujícího značný výkon.
* Pneumatické ovládání: Využívá jednostranný válec s pružinovým resetem pro přesné, rychlé a spolehlivé zapínání a vypínání, efektivně fungující s tlakem vzduchu 8-12 barů.
* Odolné uchycení: Obsahuje standardní 4šroubovou možnost uchycení, zajišťující bezpečné a stabilní připojení k převodovce vozidla, navržené pro robustní výkon.
* Efektivní mazání: Vybaveno systémem tlakového mazání, který zajišťuje optimální a nepřetržité mazání vnitřních součástí, což výrazně prodlužuje životnost jednotky a snižuje požadavky na údržbu.
* Optimalizovaný převodový poměr: Pečlivě zvolený převodový poměr 1,14 zajišťuje efektivní a účinný přenos výkonu z motoru na poháněné pomocné zařízení.
* Všestranné řízení: Směr otáčení výstupu je opačný ke směru otáčení motoru, což poskytuje flexibilitu v návrhu systému a integraci s různými hydraulickými nastaveními.
* Robustní konstrukce: Vyrobeno z vysoce kvalitních materiálů a zkonstruováno pro těžký, nepřetržitý provoz v náročných a náročných pracovních prostředích.
Scénáře použití:
Tento vývodový hřídel HW50-03 je dokonale vhodný pro širokou škálu mobilních a stacionárních hydraulických systémů, které vyžadují spolehlivé a ovladatelné odebírání výkonu z převodovky vozidla, pokrývající různé sektory:
* Stavebnictví a zemní práce: Nezbytné pro pohon hydraulických čerpadel v těžkých strojích, jako jsou jeřáby, bagry, kolové nakladače, rypadlonakladače, motorové grejdry a čerpadla na beton s výložníkem.
* Průmyslová vozidla: Umožňuje klíčové pomocné funkce v různých průmyslových vozidlech, včetně sklápěčů, hákových nakladačů, lisů na odpad a zametačů.
* Zemědělství: Široce používáno pro pohon hydraulických systémů v moderních zemědělských strojích, jako jsou traktory, kombajny, lisy na balíky, postřikovače a další zemědělské nářadí.
* Manipulace s materiálem: Poskytuje robustní výkon pro teleskopické manipulátory a vysokozdvižné vozíky, zejména ty vybavené specializovanými hydraulickými nástavci pro zvedání a manipulaci s těžkými břemeny.
* Speciální vybavení: Použitelné v lesních přívěsech, vrtných soupravách a dalším těžkém mobilním vybavení, které vyžaduje robustní, efektivní a ovladatelný zdroj energie pro specializované funkce.



