Rychlé dodání
30denní expresní doručení



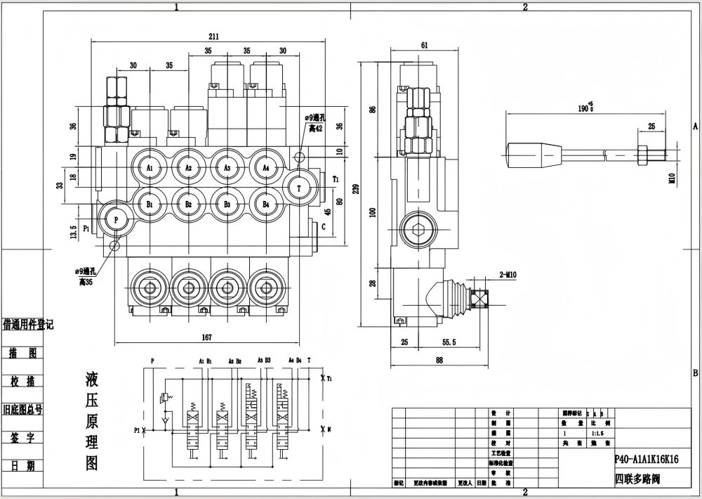
P40-G12-G38 Manuální 4sekční monoblokový směrový ventil je vysoce výkonný hydraulický ventil navržený pro různé aplikace v průmyslových odvětvích, jako je manipulace s materiálem, stavebnictví, zemědělství a průmyslová vozidla. Díky své robustní konstrukci, spolehlivému manuálnímu ovládání a kompaktnímu monoblokovému designu nabízí tento ventil přesné řízení průtoku a směrové přepínání v hydraulických systémech.
| Řada P40 Monoblokový směrový ventil Parameters | |
|---|---|
| Metoda řízení | Ruční, Pneumatický, Elektropneumatický, Elektrohydraulický, Solenoidový, Hydraulický, Hydraulické a manuální, Kabel, Joystick, Ruční a joystick |
| Šoupátko | Šoupátko 1, Šoupátko 2, Šoupátko 3, Šoupátko 4, Šoupátko 5, Šoupátko 6, Šoupátko 7 |
| Jmenovitý průtok | 40 l/min (10,5 US gpm) |
| Maximální tlak | 250 bar (3600 psi) |
| Vstupní port | G3/8, G1/2, M18×1.5, M22×1.5, SAE 8, SAE 10, 3/8 NPT, 1/2 NPT |
| Výstupní port | G3/8, G1/2, M18×1.5, M22×1.5, SAE 8, SAE 10, 3/8 NPT, 1/2 NPT |
| Velikost portu | G3/8, G1/2, M18×1.5, SAE 8, SAE 10, 3/8 NPT, 1/2 NPT |
| Sekce | Sekce 1, Sekce 2, Sekce 3, Sekce 4, Sekce 5, Sekce 6, Sekce 7 |
| Typ konstrukce | Blokový ventil |
| Rozsah okolní teploty | -40 °C až +80 °C (-40 °F až +176 °F) |
| Rozsah provozní viskozity | 15 - 75 mm²/s (15 cSt až 75 cSt) |
**Vlastnosti a výhody produktu:**
* Manuální ovládání pro přesný a citlivý provoz
* 4sekční design pro všestranné řízení průtoku
* Monobloková konstrukce pro kompaktní a nepropustný výkon
* Průtok 40 L/min (10.5 US gpm)
* Maximální tlak 250 bar (3600 psi)
* Široký rozsah provozní viskozity 15 - 75 mm²/s (15 cSt až 75 cSt)
* Odolná konstrukce pro náročné aplikace
**Aplikace:**
P40-G12-G38 Manuální 4sekční monoblokový směrový ventil je vhodný pro širokou škálu aplikací, včetně:
* Zařízení pro manipulaci s materiálem, jako jsou vysokozdvižné vozíky, teleskopické manipulátory a jeřáby
* Stavební stroje, jako jsou bagry, smykem řízené nakladače a grejdry
* Zemědělská vozidla, jako jsou traktory, kombajny a lisy
* Průmyslová vozidla, jako jsou zametací stroje, lisy na odpad a hákové nakladače



