Rychlé dodání
30denní expresní doručení



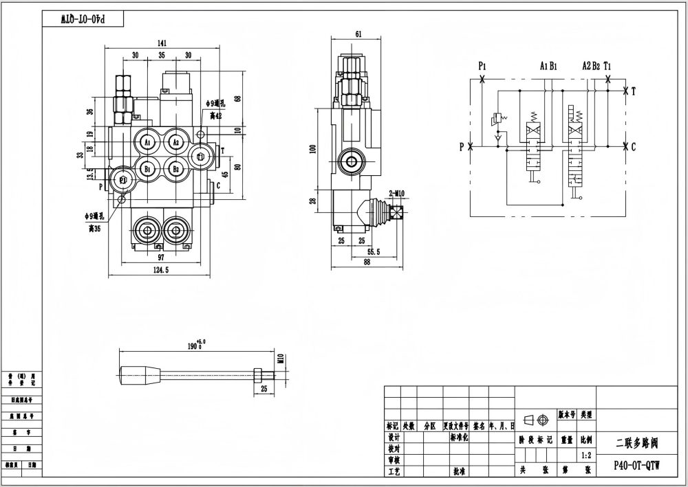
P40-G12-G38-OT-QTW Manuální 2 cívkový monoblokový směrový ventil je vysoce výkonný hydraulický ventil určený pro použití v široké škále průmyslových aplikací. S jmenovitým průtokem 40 l/min a maximálním tlakem 250 bar je tento ventil schopen zvládat náročné hydraulické systémy. Jeho kompaktní monobloková konstrukce a manuální ovládání usnadňují integraci do stávajících systémů.
| Řada P40 Monoblokový směrový ventil Parameters | |
|---|---|
| Metoda řízení | Ruční, Pneumatický, Elektropneumatický, Elektrohydraulický, Solenoidový, Hydraulický, Hydraulické a manuální, Kabel, Joystick, Ruční a joystick |
| Šoupátko | Šoupátko 1, Šoupátko 2, Šoupátko 3, Šoupátko 4, Šoupátko 5, Šoupátko 6, Šoupátko 7 |
| Jmenovitý průtok | 40 l/min (10,5 US gpm) |
| Maximální tlak | 250 bar (3600 psi) |
| Vstupní port | G3/8, G1/2, M18×1.5, M22×1.5, SAE 8, SAE 10, 3/8 NPT, 1/2 NPT |
| Výstupní port | G3/8, G1/2, M18×1.5, M22×1.5, SAE 8, SAE 10, 3/8 NPT, 1/2 NPT |
| Velikost portu | G3/8, G1/2, M18×1.5, SAE 8, SAE 10, 3/8 NPT, 1/2 NPT |
| Sekce | Sekce 1, Sekce 2, Sekce 3, Sekce 4, Sekce 5, Sekce 6, Sekce 7 |
| Typ konstrukce | Blokový ventil |
| Rozsah okolní teploty | -40 °C až +80 °C (-40 °F až +176 °F) |
| Rozsah provozní viskozity | 15 - 75 mm²/s (15 cSt až 75 cSt) |
**Vlastnosti a výhody produktu:**
* Manuální ovládání pro přesný provoz
* Design se 2 cívkami pro všestrannost
* Monobloková konstrukce pro kompaktní a nepropustný výkon
* Jmenovitý průtok 40 l/min pro vysokou účinnost
* Maximální tlak 250 bar pro odolnost
* Rozsah provozní viskozity 15 - 75 mm²/s pro kompatibilitu s různými hydraulickými kapalinami
* Rozsah okolní teploty -40°C až +80°C pro použití v náročných prostředích
**Aplikace:**
* Zařízení pro manipulaci s materiálem
* Stavební a zemní stroje
* Zemědělské stroje
* Průmyslová vozidla
* Teleskopické manipulátory
* Vysokozdvižné vozíky
* Terénní jeřáby
* Zakladače
* Pracovní plošiny
* Motorové grejdry



