Rychlé dodání
30denní expresní doručení



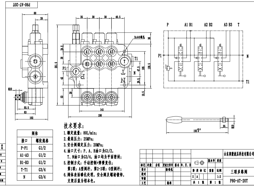
P80-G12-G34-AT-2OT Ruční 3 sekční monoblokový rozvaděč je vysokoprůtokový, vysokotlaký ventil navržený pro náročné hydraulické aplikace. Vyznačuje se ručním ovládáním, 3sekční konstrukcí a monoblokovou strukturou pro zvýšenou odolnost a spolehlivost. Se jmenovitým průtokem 80 l/min a maximálním tlakem 250 bar je tento ventil vhodný pro širokou škálu aplikací v manipulaci s materiálem, stavebnictví a zemních pracích, zemědělství a průmyslových vozidlech.
| Řada P80 Monoblokový směrový ventil Parameters | |
|---|---|
| Šoupátko | Šoupátko 1, Šoupátko 2, Šoupátko 3, Šoupátko 4, Šoupátko 5, Šoupátko 6, Šoupátko 7 |
| Metoda řízení | Ruční, Pneumatický, Elektropneumatický, Elektrohydraulický, Solenoidový, Hydraulický, Hydraulické a manuální, Kabel, Joystick |
| Velikost portu | G1/2, G3/4, M22×1.5, M27×2.0, SAE 10, 1/2 NPT, 3/4 NPT |
| Sekce | Sekce 1, Sekce 2, Sekce 3, Sekce 4, Sekce 5, Sekce 6, Sekce 7 |
| Rozsah okolní teploty | -40 °C až +80 °C (-40 °F až +176 °F) |
| Rozsah provozní viskozity | 15 - 75 mm²/s (15 cSt až 75 cSt) |
| Maximální tlak | 315 bar (4600 psi) |
| Jmenovitý průtok | 80 l/min (21,2 US gpm) |
| Typ konstrukce | Blokový ventil |
| Vstupní port | G1/2, G3/4, M27×2.0, SAE 10, SAE 12, 1/2 NPT, 3/4 NPT |
**Vlastnosti a výhody produktu:**
* Vysoká průtoková kapacita 80 l/min pro efektivní provoz
* Vysoký tlak 250 bar pro náročné aplikace
* Ruční ovládání pro přesný a citlivý provoz
* 3sekční design pro všestranné ovládání více hydraulických funkcí
* Monobloková struktura pro zvýšenou odolnost a snížené úniky
* Široký rozsah provozní viskozity 15 - 75 mm²/s pro kompatibilitu s různými hydraulickými kapalinami
* Široký rozsah okolní teploty -40°C až +80°C pro spolehlivý výkon v extrémních podmínkách
**Aplikace:**
* Manipulace s materiálem: Vysokozdvižné vozíky, teleskopické manipulátory, jeřáby, zakladače, pracovní plošiny
* Stavebnictví a zemní práce: Bagry, smykem řízené nakladače, kompaktní kolové nakladače, grejdry
* Zemědělství: Traktory, sklízecí stroje, lisy na balíky, postřikovače
* Průmyslová vozidla: Zametací stroje, lisy na odpad, nakladače kontejnerů, hákové nakladače



