Rychlé dodání
30denní expresní doručení



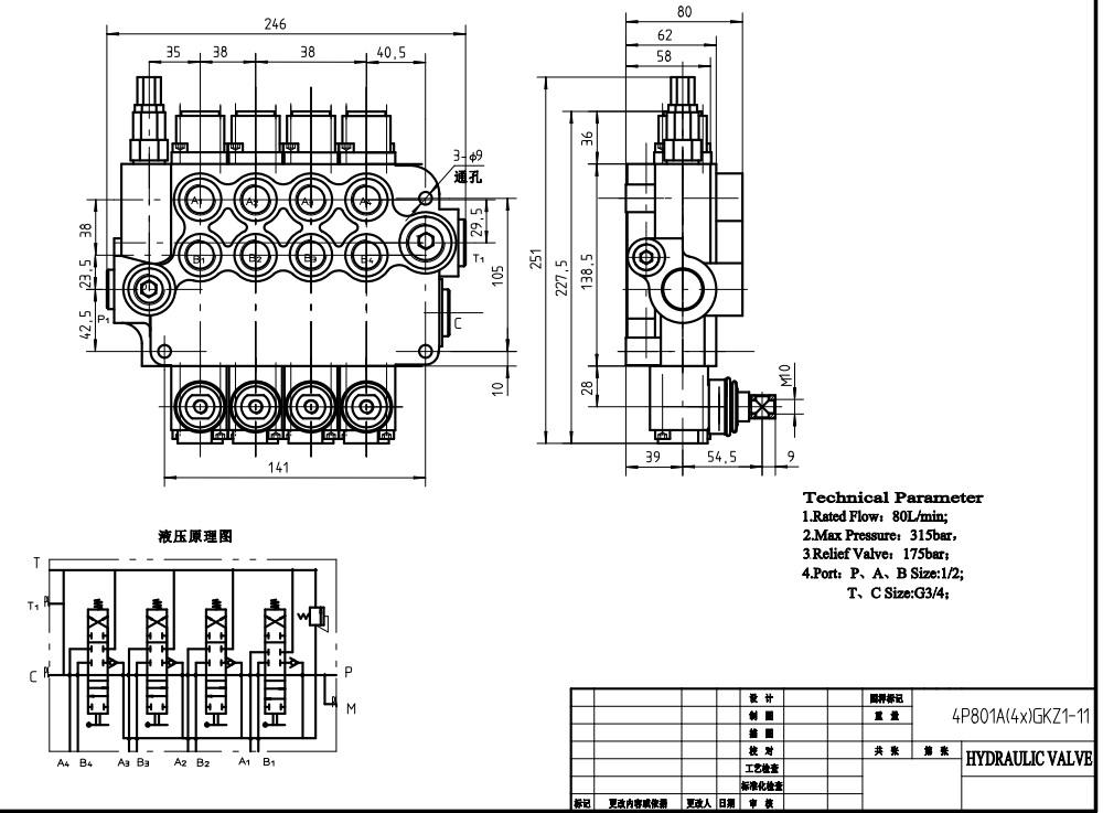
P80-G12-G34-OT manuální 4-sekční monoblokový směrový ventil je vysoce univerzální a odolná komponenta navržená pro širokou škálu hydraulických aplikací. S jmenovitým průtokem 80 l/min (21,2 US gpm) a maximálním tlakem 250 bar (3600 psi) tento ventil zvládne náročné hydraulické systémy. Jeho kompaktní monobloková konstrukce zajišťuje snadnou instalaci a údržbu.
| Řada P80 Monoblokový směrový ventil Parameters | |
|---|---|
| Šoupátko | Šoupátko 1, Šoupátko 2, Šoupátko 3, Šoupátko 4, Šoupátko 5, Šoupátko 6, Šoupátko 7 |
| Metoda řízení | Ruční, Pneumatický, Elektropneumatický, Elektrohydraulický, Solenoidový, Hydraulický, Hydraulické a manuální, Kabel, Joystick |
| Velikost portu | G1/2, G3/4, M22×1.5, M27×2.0, SAE 10, 1/2 NPT, 3/4 NPT |
| Sekce | Sekce 1, Sekce 2, Sekce 3, Sekce 4, Sekce 5, Sekce 6, Sekce 7 |
| Rozsah okolní teploty | -40 °C až +80 °C (-40 °F až +176 °F) |
| Rozsah provozní viskozity | 15 - 75 mm²/s (15 cSt až 75 cSt) |
| Maximální tlak | 315 bar (4600 psi) |
| Jmenovitý průtok | 80 l/min (21,2 US gpm) |
| Typ konstrukce | Blokový ventil |
| Vstupní port | G1/2, G3/4, M27×2.0, SAE 10, SAE 12, 1/2 NPT, 3/4 NPT |
**Vlastnosti a výhody produktu:**
* **Kompaktní monobloková konstrukce:** Snadná instalace a údržba
* **Vysoká průtoková kapacita (80 l/min):** Vhodné pro náročné hydraulické systémy
* **Vysoký tlakový výkon (250 bar):** Odolává vysokým systémovým tlakům
* **Manuální ovládání:** Přesný a citlivý provoz
* **Široký rozsah provozní viskozity (15 - 75 mm²/s):** Zvládá různé hydraulické kapaliny
* **Odolná konstrukce:** Zajišťuje dlouhou životnost
**Aplikace:**
P80-G12-G34-OT manuální 4-sekční monoblokový směrový ventil je široce používán v různých hydraulických aplikacích, včetně:
* Zařízení pro manipulaci s materiálem (např. vysokozdvižné vozíky, teleskopické manipulátory)
* Stavební a zemní stroje (např. bagry, nakladače)
* Zemědělské stroje (např. traktory, sklízecí stroje)
* Průmyslová vozidla (např. zametače, lisy na odpad)



