Rychlé dodání
30denní expresní doručení



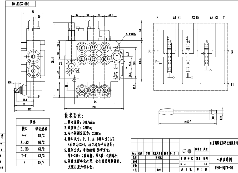
P80-G12-2QTW-OT je manuální 3sekční monoblokový rozváděč určený pro hydraulické systémy. Nabízí jmenovitý průtok 80 l/min, maximální tlak 250 bar a rozsah provozní viskozity 15 - 75 mm²/s. Tento ventil se běžně používá v různých aplikacích napříč průmyslovými odvětvími, jako je manipulace s materiálem, stavebnictví, zemní práce a zemědělství.
| Řada P80 Monoblokový směrový ventil Parameters | |
|---|---|
| Šoupátko | Šoupátko 1, Šoupátko 2, Šoupátko 3, Šoupátko 4, Šoupátko 5, Šoupátko 6, Šoupátko 7 |
| Metoda řízení | Ruční, Pneumatický, Elektropneumatický, Elektrohydraulický, Solenoidový, Hydraulický, Hydraulické a manuální, Kabel, Joystick |
| Velikost portu | G1/2, G3/4, M22×1.5, M27×2.0, SAE 10, 1/2 NPT, 3/4 NPT |
| Sekce | Sekce 1, Sekce 2, Sekce 3, Sekce 4, Sekce 5, Sekce 6, Sekce 7 |
| Rozsah okolní teploty | -40 °C až +80 °C (-40 °F až +176 °F) |
| Rozsah provozní viskozity | 15 - 75 mm²/s (15 cSt až 75 cSt) |
| Maximální tlak | 315 bar (4600 psi) |
| Jmenovitý průtok | 80 l/min (21,2 US gpm) |
| Typ konstrukce | Blokový ventil |
| Vstupní port | G1/2, G3/4, M27×2.0, SAE 10, SAE 12, 1/2 NPT, 3/4 NPT |
**Vlastnosti a výhody produktu:**
* Ruční ovládání pro přesný provoz
* Monobloková konstrukce pro odolnost a kompaktní velikost
* Vysoký průtok 80 l/min pro efektivní výkon systému
* Maximální tlak 250 bar pro náročné aplikace
* Široký rozsah provozní viskozity pro kompatibilitu s různými hydraulickými kapalinami
* Vhodné pro okolní teploty v rozsahu od -40°C do +80°C
**Aplikace:**
Manuální rozváděč P80-G12-2QTW-OT je široce používán v hydraulických systémech mobilních a průmyslových strojů, včetně:
* Zařízení pro manipulaci s materiálem, jako jsou vysokozdvižné vozíky, teleskopické manipulátory a jeřáby
* Stavební a zemní stroje, jako jsou bagry, nakladače a grejdry
* Zemědělské stroje, jako jsou traktory, kombajny a lisy
* Průmyslová vozidla, jako jsou zametací stroje, zhutňovače odpadu a hákové nakladače



