Rychlé dodání
30denní expresní doručení



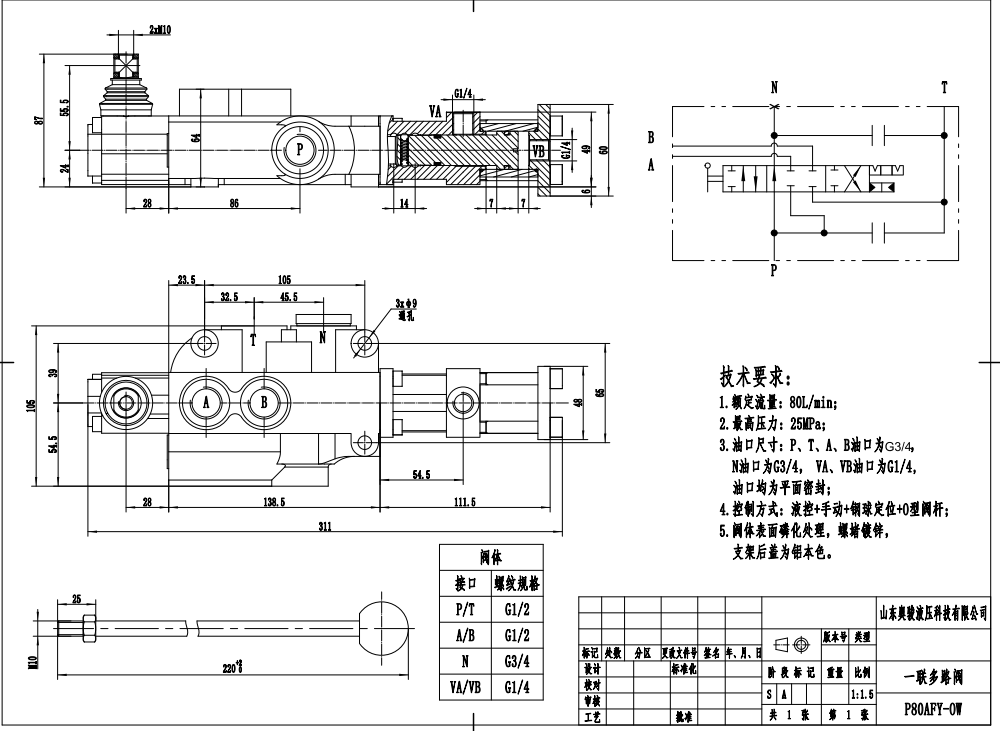
P80F-G34 Hydraulický 1sekční monoblokový směrový ventil je navržen pro řízení průtoku hydraulické kapaliny v různých průmyslových a mobilních aplikacích. Vyznačuje se kompaktní monoblokovou konstrukcí, 1 sekcí a jmenovitým průtokem 80 L/min (21.2 US gpm) při maximálním tlaku 250 bar (3600 psi). Ventil je vhodný pro rozsah provozní viskozity 15 - 75 mm²/s (15 cSt až 75 cSt) a okolní teploty od -40°C do +80°C (-40°F až +176°F).
| Řada P80F Monoblokový směrový ventil Parameters | |
|---|---|
| Šoupátko | Šoupátko 1, Šoupátko 2, Šoupátko 3, Šoupátko 4, Šoupátko 5, Šoupátko 6, Šoupátko 7 |
| Metoda řízení | Ruční, Pneumatický, Elektropneumatický, Elektrohydraulický, Solenoidový, Hydraulický, Hydraulické a manuální, Kabel, Joystick |
| Velikost portu | G1/2, G3/4, M27×2.0, SAE 10, SAE 12, 1/2 NPT, 3/4 NPT |
| Sekce | Sekce 1, Sekce 2, Sekce 3, Sekce 4, Sekce 5, Sekce 6, Sekce 7 |
| Rozsah okolní teploty | -40 °C až +80 °C (-40 °F až +176 °F) |
| Rozsah provozní viskozity | 15 - 75 mm²/s (15 cSt až 75 cSt) |
| Výstupní port | G1/2, G3/4, M27×2.0, SAE 10, SAE 12, 1/2 NPT |
| Maximální tlak | 315 bar (4600 psi) |
| Jmenovitý průtok | 80 l/min (21,2 US gpm) |
| Typ konstrukce | Blokový ventil |
| Vstupní port | G1/2, G3/4, M27×2.0, SAE 10, SAE 12, 1/2 NPT, 3/4 NPT |
**Vlastnosti a výhody produktu:**
* Kompaktní monobloková konstrukce pro prostorově úspornou instalaci
* 1 sekce pro jednoduché a spolehlivé řízení průtoku
* Jmenovitý průtok 80 L/min (21.2 US gpm) pro efektivní manipulaci s kapalinou
* Maximální tlak 250 bar (3600 psi) pro náročné aplikace
* Vhodné pro rozsah provozní viskozity 15 - 75 mm²/s (15 cSt až 75 cSt)
* Široký rozsah okolní teploty od -40°C do +80°C (-40°F až +176°F) pro použití v různých prostředích
**Aplikace:**
P80F-G34 Hydraulický 1sekční monoblokový směrový ventil je široce používán v různých průmyslových a mobilních aplikacích, včetně:
* Manipulační technika (vysokozdvižné vozíky, teleskopické manipulátory, jeřáby)
* Stavební a zemní stroje (bagry, kolové nakladače, smykem řízené nakladače)
* Zemědělské stroje (traktory, sklízecí stroje, lisy)
* Průmyslová vozidla (zametače, lisy na odpad, hákové nakladače)
* A mnoho dalších...



