Rychlé dodání
30denní expresní doručení



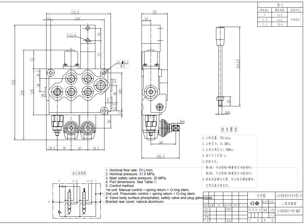
Monoblokový směrový ventil SD11 s 1 sekcí a ručním ovládáním je navržen pro širokou škálu hydraulických aplikací. Se jmenovitým průtokem 70 l/min (18,5 US gpm) a maximálním tlakem 250 bar (3600 psi) si tento ventil poradí s náročnými provozními podmínkami. Jeho kompaktní monobloková konstrukce poskytuje prostorově úsporné řešení, zatímco ruční ovládání nabízí přesné a citlivé ovládání.
| Řada SD11 Monoblokový směrový ventil Parameters | |
|---|---|
| Metoda řízení | Ruční, Pneumatický, Elektropneumatický, Elektrohydraulický, Solenoidový, Hydraulický, Hydraulické a manuální, Kabel, Joystick, Elektrický |
| Šoupátko | Šoupátko 1, Šoupátko 2, Šoupátko 3, Šoupátko 4, Šoupátko 5 |
| Jmenovitý průtok | 70 l/min (18,5 US gpm) |
| Maximální tlak | 315 bar (4600 psi) |
| Vstupní port | G3/4, SAE 12 |
| Výstupní port | G3/4, SAE 12 |
| Velikost portu | G3/4, SAE 12 |
| Sekce | Sekce 1, Sekce 2, Sekce 3, Sekce 4, Sekce 5, Sekce 6, Sekce 7 |
| Typ konstrukce | Blokový ventil |
| Rozsah okolní teploty | -40 °C až +60 °C (-40 °F až +140 °F) |
| Rozsah provozní viskozity | 15 - 75 mm²/s (15 cSt až 75 cSt) |
**Vlastnosti a výhody produktu:**
* Ruční ovládání pro přesnou a citlivou obsluhu
* Monobloková konstrukce pro prostorově úsporné řešení
* Jmenovitý průtok 70 l/min (18,5 US gpm) pro efektivní výkon
* Maximální tlak 250 bar (3600 psi) pro náročné aplikace
* Rozsah provozní viskozity 15 - 75 mm²/s (15 cSt až 75 cSt) pro všestrannost
* Rozsah okolní teploty -40°C až +60°C (-40°F až +140°F) pro extrémní podmínky
**Aplikace:**
* Manipulační technika
* Stavební a zemní stroje
* Zemědělské stroje
* Průmyslová vozidla
* Teleskopické manipulátory
* Vysokozdvižné vozíky
* Terénní jeřáby
* Zakladače
* Plošiny
* Grejdry
* Bagry
* Smykem řízené nakladače
* Kompaktní kolové nakladače
* Kolové nakladače
* Traktorbagry
* Sklápěcí nákladní automobily
* Čelní vrtací soupravy
* Čerpadla na beton s výložníkem
* Silniční válce
* Rotační vrtací soupravy
* Drtiče a řezačky kamene
* Třídiče
* Traktory s čelními nakladači
* Sklízecí stroje
* Ovíječky balíků
* Podkopové nakladače
* Secí stroje
* Lesnické přívěsy
* Postřikovače
* Lisy na balíky
* Štípačky dřeva
* Nosiče kontejnerů
* Hákové nakladače
* Kompaktory odpadu
* Zametače



