Rychlé dodání
30denní expresní doručení



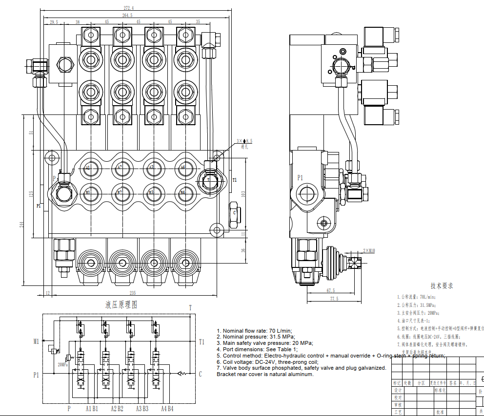
SD11-PG2 je vysoce výkonný, elektrohydraulický 4-sekční monoblokový rozvaděč dimenzovaný na 70 L/min a 315 bar. Ideální pro širokou škálu aplikací v manipulaci s materiálem, stavebnictví, zemědělství a průmyslových vozidlech, tento robustní ventil nabízí spolehlivé ovládání a přesný provoz v náročných prostředích.
| Řada SD11 Monoblokový směrový ventil Parameters | |
|---|---|
| Metoda řízení | Ruční, Pneumatický, Elektropneumatický, Elektrohydraulický, Solenoidový, Hydraulický, Hydraulické a manuální, Kabel, Joystick, Elektrický |
| Šoupátko | Šoupátko 1, Šoupátko 2, Šoupátko 3, Šoupátko 4, Šoupátko 5 |
| Jmenovitý průtok | 70 l/min (18,5 US gpm) |
| Maximální tlak | 315 bar (4600 psi) |
| Vstupní port | G3/4, SAE 12 |
| Výstupní port | G3/4, SAE 12 |
| Velikost portu | G3/4, SAE 12 |
| Sekce | Sekce 1, Sekce 2, Sekce 3, Sekce 4, Sekce 5, Sekce 6, Sekce 7 |
| Typ konstrukce | Blokový ventil |
| Rozsah okolní teploty | -40 °C až +60 °C (-40 °F až +140 °F) |
| Rozsah provozní viskozity | 15 - 75 mm²/s (15 cSt až 75 cSt) |
SD11-PG2 Elektrohydraulický 4 sekční monoblokový rozvaděč je vysoce výkonná hydraulická řídicí součást navržená pro náročné aplikace. Jeho monobloková konstrukce zajišťuje vysokou pevnost a spolehlivost, zatímco elektrohydraulické ovládání poskytuje přesný a citlivý provoz. S jmenovitým průtokem 70 L/min a maximálním tlakem 315 bar je vhodný pro různé mobilní stroje. Široký rozsah provozní viskozity (15-75 mm²/s) a rozsah okolní teploty (-40°C až +60°C) jej činí adaptabilním na různorodé provozní podmínky. 4-sekční konstrukce nabízí všestranné řídicí funkce, díky čemuž je vhodný pro různé hydraulické okruhy. Tento ventil je ideální pro integraci OEM do vysokozdvižných vozíků, teleskopických manipulátorů, smykem řízených nakladačů, kompaktních kolových nakladačů, minirýpadel, traktorů, sklízecích strojů a lisů. Jeho kompaktní design, robustní konstrukce a spolehlivý výkon z něj činí nákladově efektivní řešení pro zlepšení účinnosti a produktivity vašeho stroje. Nabízíme výrobu, OEM, privátní značení, přizpůsobení a velkoobchodní možnosti a aktivně hledáme distributory, velkoobchodníky, agenty a obchodní partnery po celém světě.



