Rychlé dodání
30denní expresní doručení



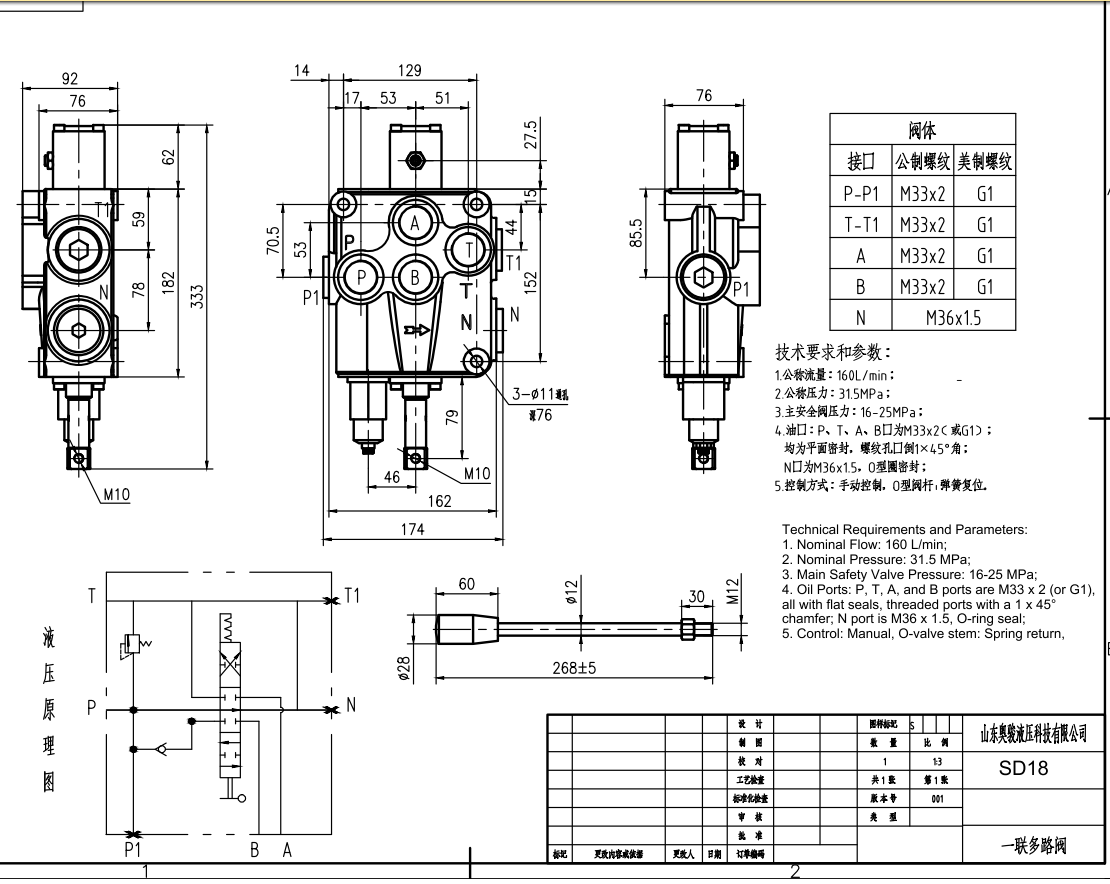
Monoblokový směrový ventil SD18 s ručním ovládáním a jednou cívkou je kompaktní a spolehlivý ventil určený pro širokou škálu hydraulických aplikací. S jmenovitým průtokem 120 L/min a maximálním tlakem 315 bar je vhodný pro použití v systémech s mírnými požadavky na průtok a tlak.
| Řada SD18 Monoblokový směrový ventil Parameters | |
|---|---|
| Metoda řízení | Ruční, Pneumatický, Elektropneumatický, Elektrohydraulický, Hydraulický, Hydraulické a manuální, Kabel, Joystick |
| Šoupátko | Šoupátko 1, Šoupátko 2, Šoupátko 3, Šoupátko 4 |
| Jmenovitý průtok | 160 l/min (42,2 US gpm) |
| Maximální tlak | 305 bar (4400 psi) |
| Vstupní port | G1/2, G1, SAE 16 |
| Výstupní port | G1, SAE 16 |
| Velikost portu | G1, SAE 16 |
| Sekce | Sekce 1, Sekce 2, Sekce 3, Sekce 4 |
| Typ konstrukce | Blokový ventil |
| Rozsah okolní teploty | -40 °C až +80 °C (-40 °F až +176 °F) |
| Rozsah provozní viskozity | 12 - 400 mm²/s (12 cSt až 400 cSt) |
**Vlastnosti a výhody produktu:**
* Kompaktní a lehká konstrukce
* Ruční ovládání pro přesný a citlivý provoz
* Monobloková konstrukce pro odolnost a spolehlivost
* Jmenovitý průtok 120 L/min pro efektivní provoz systému
* Maximální tlak 315 bar pro použití v náročných aplikacích
* Rozsah provozní viskozity 12 - 400 mm²/s pro kompatibilitu s širokou škálou kapalin
* Rozsah okolní teploty -40°C až +80°C pro použití v náročných prostředích
* 1 cívka pro všestrannost a ovládání
**Aplikace:**
Monoblokový směrový ventil SD18 s ručním ovládáním a jednou cívkou je vhodný pro použití v různých hydraulických aplikacích, včetně:
* Zařízení pro manipulaci s materiálem
* Stavební a zemní stroje
* Zemědělské stroje
* Průmyslová vozidla



