Rychlé dodání
30denní expresní doručení



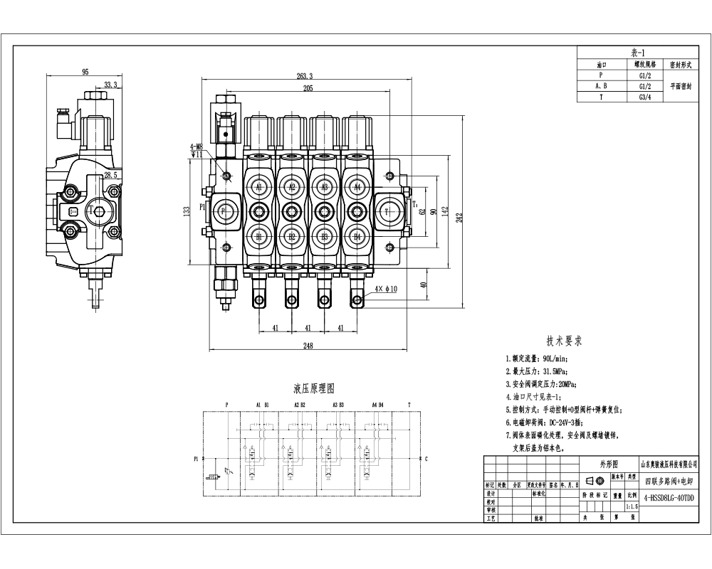
SD8-Elektrický odlehčovací ventil Manuální 4sekční sekční rozváděč je vysoce výkonný hydraulický ventil určený pro náročné aplikace v různých průmyslových odvětvích a mobilních zařízeních. Díky svému manuálnímu ovládání, 4sekčnímu designu cívky a modulární ventilové konstrukci nabízí přesné a spolehlivé řízení průtoku v hydraulických systémech.
| Řada SD8 Sekční směrový ventil Parameters | |
|---|---|
| Šoupátko | Šoupátko 1, Šoupátko 2, Šoupátko 3, Šoupátko 4, Šoupátko 5, Šoupátko 6, Šoupátko 7, Šoupátko 8, Šoupátko 9, Šoupátko 10 |
| Metoda řízení | Ruční, Pneumatický, Elektropneumatický, Elektrohydraulický, Solenoidový, Hydraulický, Hydraulické a manuální, Kabel, Joystick, Solenoidový a joystick, Ruční a joystick |
| Velikost portu | G1/2, SAE 10 |
| Sekce | Sekce 1, Sekce 2, Sekce 3, Sekce 4, Sekce 5, Sekce 6, Sekce 7, Sekce 8, Sekce 9, Sekce 10 |
| Rozsah okolní teploty | -40 °C až +80 °C (-40 °F až +176 °F) |
| Rozsah provozní viskozity | 12 - 400 mm²/s (12 cSt až 400 cSt) |
| Výstupní port | G1/2, G3/4, SAE 10, 3/4 NPT |
| Maximální tlak | 250 bar (3600 psi), 350 bar (5100 psi) |
| Jmenovitý průtok | 90 l/min (23,8 US gpm) |
| Typ konstrukce | Sekční ventil |
| Vstupní port | G1/2, G3/4, SAE 10 |
**Vlastnosti a výhody produktu:**
* Manuální ovládání pro přesnou a citlivou obsluhu
* 4sekční design cívky pro všestranné řízení průtoku
* Sekční ventilová konstrukce umožňuje snadnou integraci a modularitu
* Jmenovitý průtok 90 L/min (23.8 US gpm) pro efektivní hydraulický výkon
* Maximální tlak 350 bar (5100 psi) pro náročné aplikace
* Široký rozsah provozní viskozity 12 - 400 mm²/s (12 cSt až 400 cSt) pro kompatibilitu s různými hydraulickými kapalinami
**Aplikace:**
SD8-Elektrický odlehčovací ventil Manuální 4sekční sekční rozváděč je vhodný pro širokou škálu aplikací, včetně:
* Zařízení pro manipulaci s materiálem (vysokozdvižné vozíky, teleskopické manipulátory, jeřáby)
* Stavební a zemní stroje (bagry, nakladače, grejdry)
* Zemědělské stroje (traktory, sklízecí stroje, lisy na balíky)
* Průmyslová vozidla (zametací stroje, lisy na odpad, nosiče kontejnerů s hákovým nakladačem)



