Rychlé dodání
30denní expresní doručení



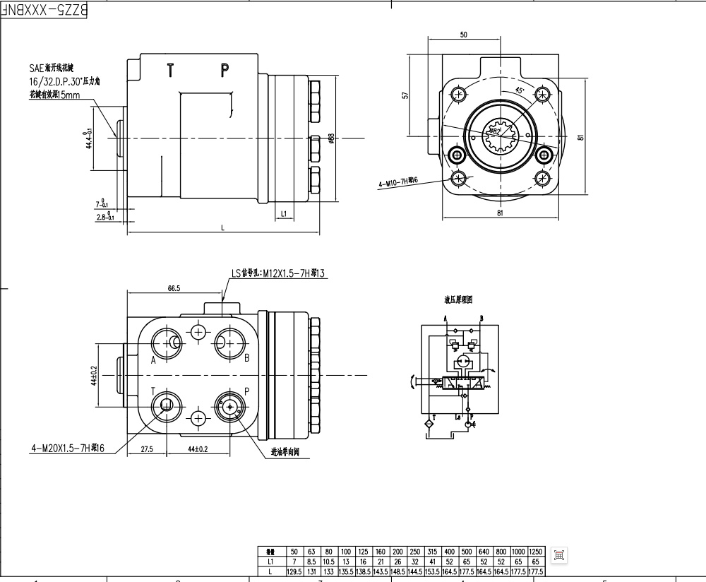
TLF-E1000 je robustní, vysoce výkonná hydraulická řídicí jednotka s objemem 1000 ml/ot., navržená pro použití v různých manipulačních, stavebních a průmyslových vozidlech. S maximálním vstupním tlakem 16 MPa a jmenovitým průtokem 75 l/min nabízí přizpůsobitelné ventilové bloky pro optimální integraci a výkon. Vyrobena z odolné litiny, tato jednotka je ideální pro náročné aplikace.
| Řada TLF Řídicí jednotka Parameters | |
|---|---|
| Zdvihový objem | 800 ml/ot., 1000 ml/ot., 640 ml/ot. |
| Ventilový blok | Přizpůsobitelný |
| Materiál | Litina |
| Jmenovitý průtok | 48 l/min, 60 l/min, 75 l/min |
| Max. nepřetržitý zpětný tlak | 1,6 MPa |
| Max. vstupní tlak | 16 MPa |
TLF-E1000 Řídicí jednotka je vysoce zatížený hydraulický komponent navržený pro spolehlivé a přesné řízení v široké škále aplikací. Jeho objem 1000 ml/ot. a jmenovitý průtok 75 l/min poskytují dostatečný výkon pro efektivní provoz i při značném zatížení. Maximální vstupní tlak jednotky 16 MPa zajišťuje, že zvládne náročné provozní podmínky. Vyrobeno z robustní litiny, TLF-E1000 nabízí vynikající odolnost a dlouhou životnost.
**Klíčové vlastnosti a výhody:**
* **Vysoký výkon:** Objem 1000 ml/ot. a jmenovitý průtok 75 l/min pro efektivní řízení.
* **Vysokotlaká kapacita:** Maximální vstupní tlak 16 MPa pro náročné aplikace.
* **Odolná konstrukce:** Litinová konstrukce pro zvýšenou odolnost a dlouhou životnost.
* **Přizpůsobitelný ventilový blok:** Umožňuje flexibilní integraci a optimální výkon v různých aplikacích.
* **Všestranné aplikace:** Vhodné pro vysokozdvižné vozíky, teleskopické manipulátory, smykové nakladače, kompaktní kolové nakladače, kolové nakladače, traktory s čelními nakladači, rýpadlo-nakladače a další průmyslová vozidla.
* **Globální dosah:** Nabízíme výrobu, OEM, ODM, privátní značení, přizpůsobení a velkoobchodní služby, hledáme distributory, velkoobchodníky, zástupce a obchodní partnery po celém světě.
**Scénáře použití:**
TLF-E1000 řídicí jednotka nachází své ideální uplatnění v různých průmyslových odvětvích a typech zařízení, včetně:
* **Manipulace s materiálem:** Vysokozdvižné vozíky, teleskopické manipulátory a další manipulační zařízení vyžadují citlivé a výkonné řízení pro efektivní provoz ve skladech, přístavech a na stavbách.
* **Stavebnictví a zemní práce:** Smykové nakladače, kompaktní kolové nakladače a kolové nakladače spoléhají na TLF-E1000 pro přesnou manévrovatelnost v náročných prostředích.
* **Průmyslová vozidla:** Tato jednotka poskytuje spolehlivý výkon řízení v různých průmyslových strojích pracujících v náročných podmínkách.
* **Zemědělství:** Traktory a čelní nakladače těží z robustního a spolehlivého řízení, které poskytuje TLF-E1000, což zvyšuje produktivitu v zemědělských provozech.



