Rychlé dodání
30denní expresní doručení



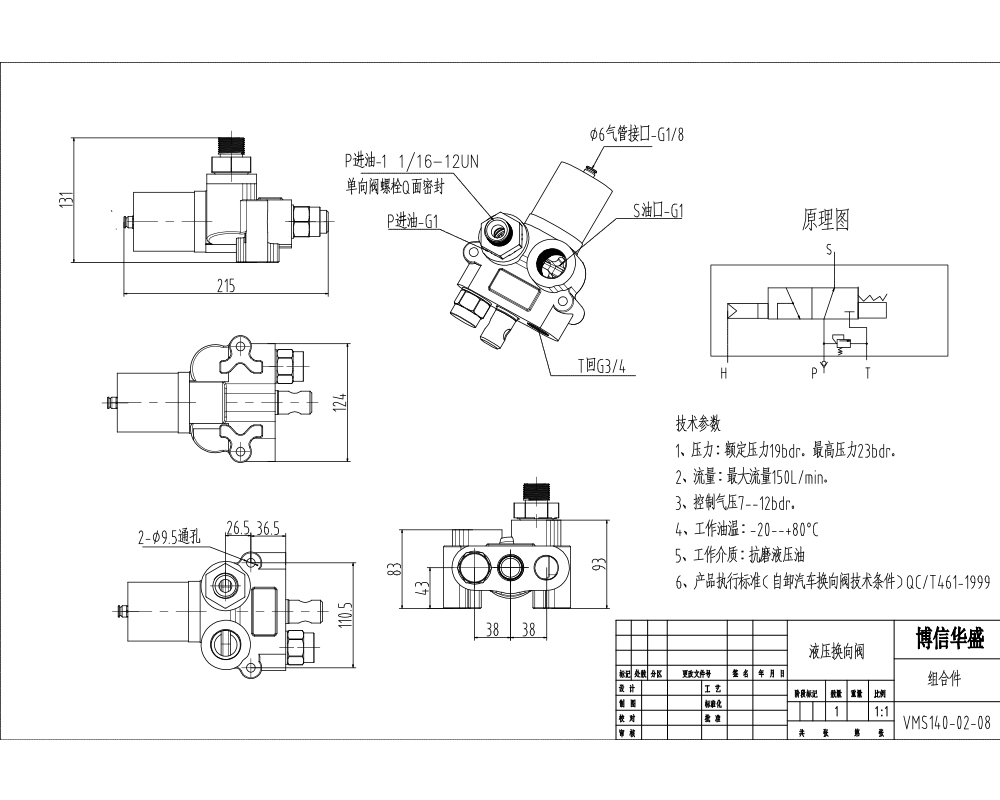
Pneumatický jednocívkový monoblokový směrový ventil VMS140 je robustní a kompaktní hydraulické řídicí řešení navržené pro globální aplikace. Tento monoblokový ventil, vyznačující se přesným pneumatickým ovládáním, dodává jmenovitý průtok 150 L/min a odolává maximálnímu tlaku 230 bar, což jej činí ideálním pro širokou škálu mobilních a průmyslových hydraulických systémů vyžadujících jednofunkční ovládání.
| Řada VMS Monoblokový směrový ventil Parameters | |
|---|---|
| Šoupátko | Šoupátko 1 |
| Metoda řízení | Ruční |
| Velikost portu | G1 |
| Sekce | Sekce 1 |
| Rozsah okolní teploty | -20°C až +80°C (-4°F to +176°F) |
| Rozsah provozní viskozity | 15 - 75 mm²/s (15 cSt až 75 cSt) |
| Výstupní port | G3/4 |
| Maximální tlak | 230 bar (3300 psi) |
| Jmenovitý průtok | Průtok 150 L/min (39.6 US gpm) |
| Typ konstrukce | Blokový ventil |
| Vstupní port | SAE 12 |
Ventil VMS140 Monoblokový směrový ventil vyniká svou spolehlivostí a výkonem v náročných hydraulických aplikacích. Jeho monobloková konstrukce zajišťuje kompaktní provedení, snížené potenciální úniky a zjednodušenou instalaci, což přispívá k celkové účinnosti a životnosti hydraulického systému.
**Klíčové vlastnosti a výhody:**
* **Pneumatické ovládání:** Nabízí přesné a citlivé dálkové ovládání, zvyšující komfort a bezpečnost obsluhy u různých strojů.
* **Robustní monobloková konstrukce:** Poskytuje strukturální integritu a kompaktní tvar, ideální pro instalace s omezeným prostorem a minimalizující počet připojovacích bodů.
* **Vysoký výkon:** Schopný zvládat jmenovitý průtok 150 L/min (39,6 US gpm) a maximální tlak 230 bar (3300 psi), díky čemuž je vhodný pro náročné úkoly.
* **Konfigurace s jednou cívkou:** Zjednodušuje ovládání konkrétní hydraulické funkce, jako je zvedání, naklápění nebo vysouvání, a zajišťuje přímočarý provoz.
* **Široký provozní rozsah:** Spolehlivě funguje v rozsahu okolních teplot od -20°C do +80°C (-4°F do +176°F) a v rozsahu provozní viskozity od 15 do 75 cSt, což zajišťuje konzistentní výkon v různých environmentálních a kapalinových podmínkách.
* **Standardní porty:** Vybaveno vstupním portem SAE 12 a výstupním portem G3/4, spolu s obecnou velikostí portu G1, což usnadňuje snadnou integraci se stávajícími hydraulickými okruhy.
**Scénáře použití:**
Tento všestranný ventil je navržen pro široké spektrum mobilních a průmyslových strojů. Je vynikající volbou pro systémy vyžadující robustní a přesné ovládání hydraulických pohonů. Typické aplikace zahrnují:
* **Manipulační technika:** Používá se ve vysokozdvižných vozících, teleskopických manipulátorech a zakladačích pro ovládání zvedacích, naklápěcích nebo pomocných funkcí.
* **Stavební a zemní stroje:** Ideální pro minirypadla, smykem řízené nakladače, kompaktní kolové nakladače a rýpadlo-nakladače pro řízení pohybů přídavných zařízení nebo pomocných hydraulických vedení.
* **Zemědělské stroje:** Vhodné pro traktory, čelní nakladače a sklízecí stroje, poskytující hydraulickou sílu a ovládání pro různé nástroje a funkce.
* **Průmyslová vozidla:** Použitelné v různých zakázkových a specializovaných průmyslových vozidlech vyžadujících spolehlivé a kompaktní hydraulické směrové ovládání pro jednotlivé akce.
Jako přední výrobce jsme odhodláni poskytovat vysoce kvalitní hydraulická řešení. Nabízíme flexibilní služby včetně výroby, OEM/privátní výroby a zakázkových řešení pro splnění specifických potřeb klienta. Aktivně hledáme globální distributory, velkoobchody, agenty a obchodníky, abychom s námi spolupracovali a rozšířili dosah našich pokročilých hydraulických produktů, jako je ventil VMS140.



