Rychlé dodání
30denní expresní doručení



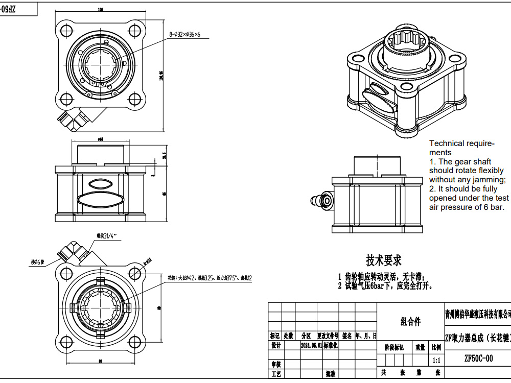
Vývodový hřídel ZF50C je robustní, pneumaticky ovládaná jednotka vývodového hřídele navržená pro náročné globální průmyslové a mobilní aplikace. Poskytuje silný výstupní točivý moment 479,7 Nm se standardní montáží a tlakovým mazáním a zajišťuje spolehlivý pomocný výkon pro širokou škálu těžkých strojů ve stavebnictví, zemědělství, manipulaci s materiálem a dalších průmyslových odvětvích.
| Řada ZF50 Vývodový hřídel Parameters | |
|---|---|
| Tlak řídicího vzduchu | 6 bar |
| Typ montáže | 4 šrouby |
| Směr otáčení výstupu | Opačný ke směru otáčení motoru |
| Způsob ovládání | Pneumatický (jednosměrný válec) s pružinovým návratem |
| Převodový poměr | 1:1 |
| Jmenovitý výstupní točivý moment | 479.7 Nm |
| Možnost mazání | Tlakové mazání |
| Možnost montáže | Standardní montáž |
Jako přední světový výrobce hrdě představujeme vývodový hřídel ZF50C, vysoce výkonné řešení navržené pro spolehlivost a efektivitu napříč různými průmyslovými a mobilními aplikacemi. Nabízíme komplexní výrobní, OEM, ODM, zakázkové a velkoobchodní služby a aktivně hledáme globální distributory, velkoobchodníky, agenty a obchodníky.
**Vlastnosti a výhody produktu:**
* **Vysoký jmenovitý výstupní točivý moment:** S robustním točivým momentem 479,7 Nm je ZF50C navržena tak, aby zvládla náročné požadavky na výkon pro těžké aplikace, což zajišťuje optimální výkon.
* **Pneumatické ovládání (jednočinný válec s pružinovým resetem):** Nabízí přesné a spolehlivé zapojení/odpojení. Jednočinný válec s mechanismem pružinového resetu zajišťuje jednoduchý, efektivní a bezpečný provoz. Efektivně funguje s řídicím tlakem vzduchu 6 barů.
* **Možnost tlakového mazání:** Tato klíčová funkce zajišťuje nepřetržité a účinné mazání vnitřních komponent, což výrazně prodlužuje životnost jednotky vývodového hřídele, zejména při nepřetržitém a vysokém zatížení.
* **Standardní možnost montáže:** Usnadňuje snadnou integraci s širokou škálou motorů a převodovek, čímž snižuje dobu instalace a náklady.
* **Převodový poměr 1:1:** Poskytuje přímý a efektivní přenos výkonu z motoru na pomocné zařízení bez snížení nebo zesílení rychlosti.
* **Směr výstupu opačný k motoru:** Navrženo pro specifickou systémovou kompatibilitu, zajišťující správný směr otáčení pro poháněné komponenty.
* **Odolná konstrukce:** Vyrobeno z vysoce kvalitních materiálů, aby odolalo drsným provozním podmínkám a poskytovalo dlouhodobou spolehlivost.
**Scénáře použití:**
Náš vývodový hřídel ZF50C je nepostradatelnou součástí pro mnoho průmyslových odvětví a typů vozidel vyžadujících pomocný hydraulický výkon nebo mechanický pohon:
* **Stavebnictví a zemní práce:** Ideální pro pohon hydraulických čerpadel na TERÉNNÍCH JEŘÁBECH, KOLOVÝCH NAKLADAČÍCH, RÝPADLO-NAKLADAČÍCH, DUMPERECH, MOTOROVÝCH GREJDRECH a ČERPADLECH S BETONOVÝM RAMENEM.
* **Manipulace s materiálem:** Nezbytné pro poskytování pomocného výkonu TELESKOPICKÝM MANIPULÁTORŮM a VYSOKOZDVIŽNÝM VOZÍKŮM pro různé nástavce a funkce.
* **Zemědělství:** Klíčové pro TRAKTORY A ČELNÍ NAKLADAČE, SKLÍZECÍ STROJE, LISOVAČE a POSTŘIKOVAČE, pohánějící nářadí a hydraulické systémy.
* **Průmyslová vozidla:** Vhodné pro různá specializovaná vozidla vyžadující spolehlivý výkon pro navijáky, kompresory, zhutňovače odpadu a další pomocná zařízení. ZF50C zajišťuje, že tyto stroje pracují s maximální efektivitou a minimálními prostoji.



